Location -> Продукты -> Термометр -> датчик температуры
Type:WSS/ WSSX Биметаллические термометры
Illustrate: Биметаллические термометры является использование металлического листа в качестве измерителя температуры чувствительного элемента, и широко используется в механической, химической, текстильной, фармацевтической...

Биметаллические термометры является использование металлического листа в качестве измерителя температуры чувствительного элемента, и широко используется в механической, химической, текстильной, фармацевтической, пищевой, судостроительной и других измерений производственного процесса и контроля. Прибор имеет отзывчивую, четкие инструкции, линейная шкала, мульти-смотровые, разными температурными приборы.
1, применение
Термометр биметаллический является низкотемпературный измерения поля приборов. Можно напрямую измерить различные производственные процессы -80 ℃ - + в диапазоне 500 паров и газов температурой ℃ жидкости.
2, Особенности
Сцена показывает температуру, простым и интуитивно понятным
Безопасный, надежный, длительный срок службы;
Разнообразие структурных форм, которые могут удовлетворить различные требования
3, принцип работы
Биметаллические термометры базируется вокруг кольца из изогнутых компонентов биметаллических. Когда конец теплового расширения, приводом поворота указатель, работать термоэлектрического измеритель мощности будет показано соответствующее значение температуры.
4, основные технические параметры
Стандарты эффективности продукта: JB / T8803-1998 / GB3836-83
номинальный диаметр: 60 100 150
Точность: 1.0,1.5
Тепловая Время отклика: ≤40s
Класс защиты: IP55
Угол ошибка регулировки: ошибка регулировка угла не должна превышать 1,0% от диапазона
Зазор: Люфт термометра не должен превышать абсолютного значения основной погрешности
Повторность: Повторность ограничивают объем термометра не должны бытьболее половины абсолютной величины основной допустимой погрешности
5、Диапазон измерения температуры
| Диапазон ℃ | применение | |
| Промышленные предприятия | Лаборатория | |
| -80-+40 | √ | √ |
| -40-+80 | √ | √ |
| 0-50 | √ | √ |
| 0-100 | √ | √ |
| 0-150 | √ | √ |
| 0-200 | √ | √ |
| 0-300 | √ | √ |
| 0-400 | √ | √ |
| 0-500 | √ | √ |
6、Условие атмосферы
| Рабочее место | температура ℃ | Относительная температура % |
| Укрытое место | -25-+25 | 5-100 |
| На улице | - 40-+85 | 5-100 |
7、форма конца измерения

8 Габарит
| Вид | A | B | C | E | L | D |
| Вид оси | 65 | 23 | 73 | - |
75 100 150 200 300 400 500 750 1000 |
Φ6 Φ8 Φ10 |
| 105 | 23 | 73 | - | |||
| 155 | 23 | 73 | - | |||
| радиальныйвид | 65 | 50 | 110 | 34 | ||
| 105 | 50 | 110 | 34 | |||
| 155 | 50 | 110 | 34 | |||
| 135° вид | 105 | 23 | 85 | - | ||
| 155 | 23 | 85 | - | |||
| универсальный | 105 | 23 | 178 | 120 | ||
| 155 | 23 | 178 | 120 |
Основные резьбовые соединения
| M | H | SW |
Φ6 Φ8 Φ10 |
![]() |
| M16×1.5 | 12 | 18 | ||
| M20×1.5 | 16 | 22 | ||
| M27×2 | 20 | 30 | ||
| NPT1/4 | 15 | 18 | ||
| NPT1/2 | 19 | 22 | ||
| NPT3/4 | 25 | 30 |
| M | H | SW |
Φ6 Φ8 Φ10 |
![]() |
| M12×1.5 | 15 | 19 | ||
| M16×1.5 | 15 | 22 | ||
| M20×1.5 | 16 | 24 |
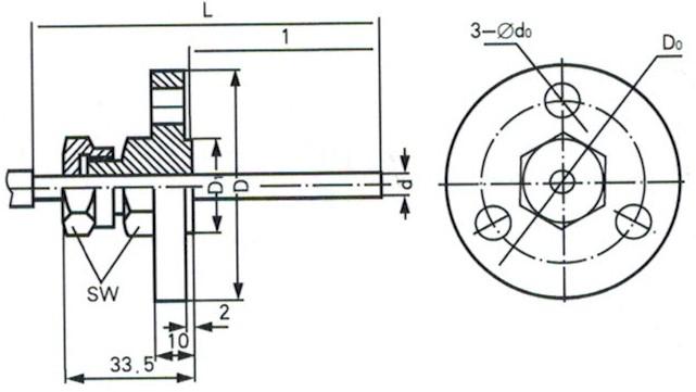
| D | D1 | D2 | SW | d0 | d |
![]() |
| Φ60 | Φ42 | Φ24 | Φ22 | Φ9 |
Φ8 Φ10 |
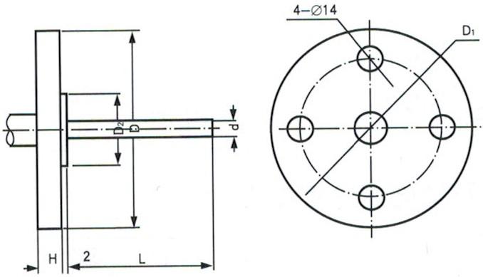
| D | D1 | D2 | H | d0 | d |
![]() |
Предыдущий:280/288 Термометр Ос.. следующий:沒有了














